Mail Us:
info@acuityconsultancy.in
Call Us:
+91 891 038 3521
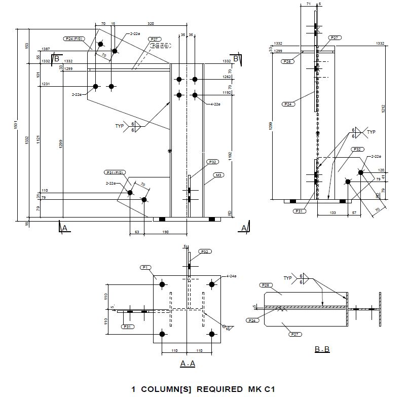
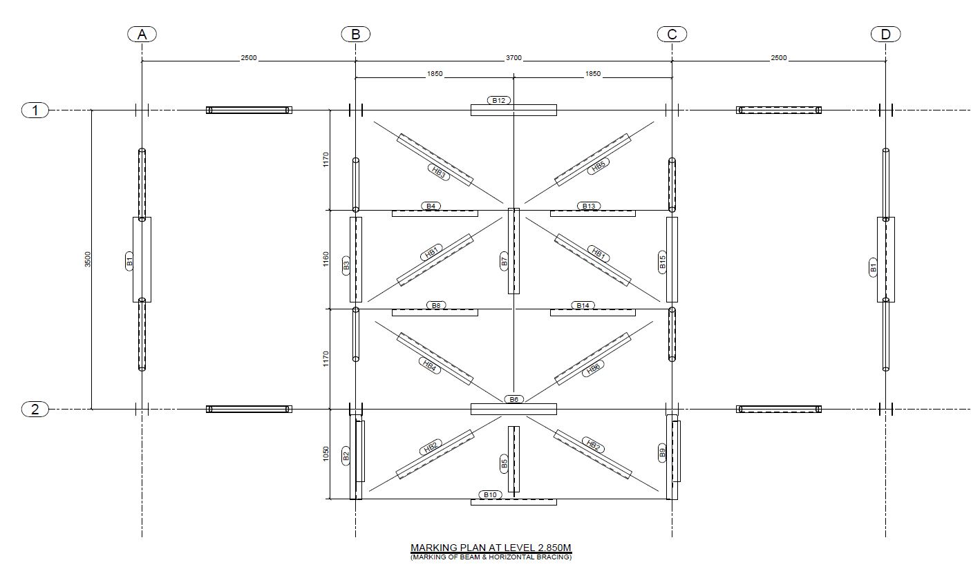
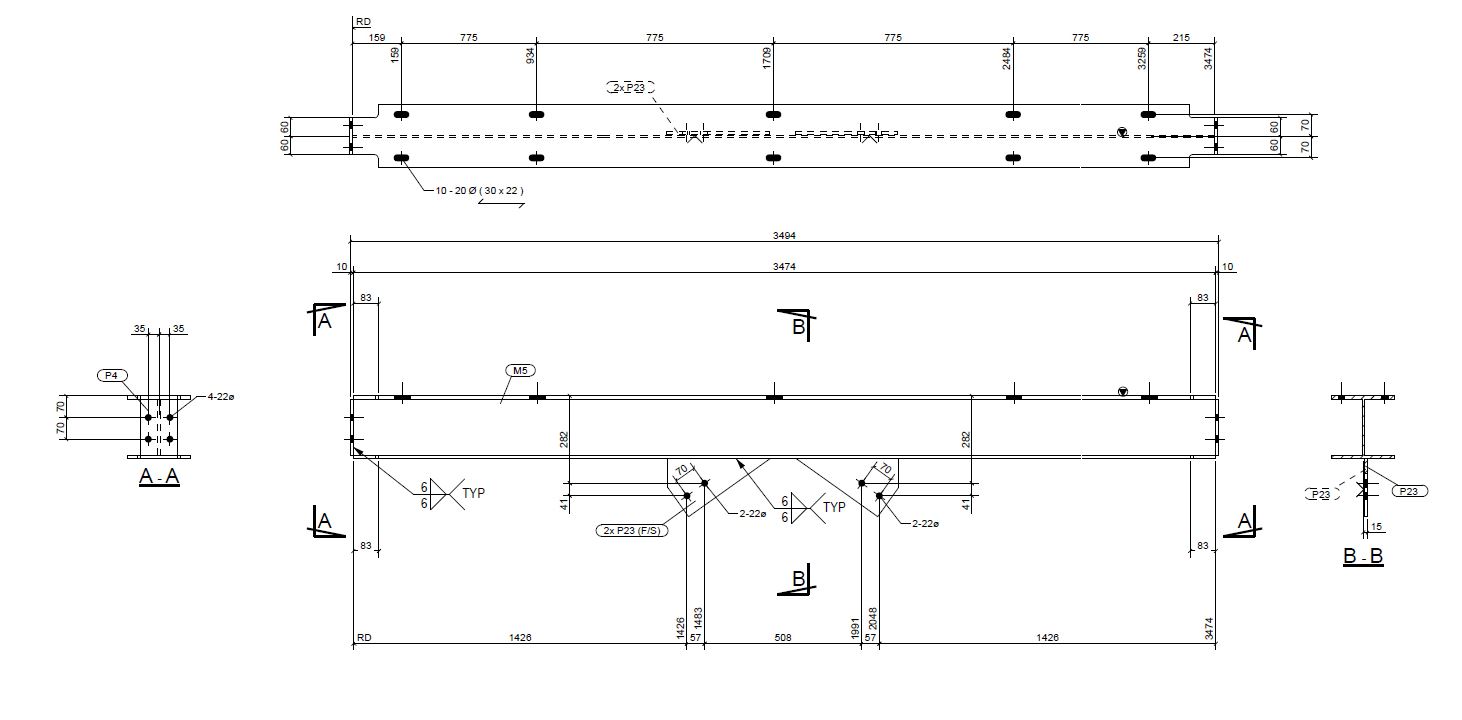
Project
Steel Pipe rack with platform
Detail drawings of 80 ton Steel Pipe rack with platform
Project Status
Completed
Completed On
December 2025
Project Location
India
Project Duration
2 Months
Client Details
Private Client
Project Type
Software Used
Services Included
More Projects
Underground Oil Tank
15/02/2026Three Story shopping Mall
15/02/2026Two Story Villa
15/02/2026Silo Tower
15/02/2026Steel Stair tower
15/02/2026Inspired by this project?
Start your next project with our expert team and experience a smarter, more efficient project workflow.







